Aller au contenu principal
Livraison offerte
dès 19€
sans abonnement
!
Tous nos rayons
Culture
Informatique
Smartphone & objets connectés
Image/son & photo
Maison & décoration
Electroménager
Brico & jardin
Jeux & jouets
Puériculture
Mobilité & sport
Vente Flash
Bons plans
Reconditionnés
Aide
Découvrez notre App
Vente Flash
Bons plans
Reconditionnés
Aide
Livraison offerte
dès 19€
sans abonnement !
Retour
Retour
Accueil
Brico & jardin
Chauffage
Climatisation
Traitement de l'air
Bricolage
Jardin
Animalerie
Bricolage
Outillage à main
Quincaillerie
Outillage électroportatif
Plomberie générale
Plomberie cuisine
Plomberie salle de bain
Toilettes
Equipement de Protection Individuelle
Compresseurs
Eclairage d'atelier
Etabli & rangement
Groupes électrogènes
Levage & manutention
Matériaux
Matériaux couverture
Voir +
Quincaillerie
Charnière
Numéro de porte
Boîte aux lettres
Serrure à appliquer
Serrure pour portail
Poignée de porte
Judas de porte
Cylindre de porte
Crémone
Charnière de fenetre
Verrou, cadenas & targette
Serrure
Coffre fort
Visserie
Clouterie
Voir +
Cylindre de porte
Cylindre de porte WILKA
Barillet Bricard
Barillet Vachette
Barillet Fichet
Barillet Abus
Barillet Thirard
Résultats
Modifier vos critères :
WILKA
Filtrer
1
Trier par :
Pertinence
Prix croissant
Prix décroissant
Nouveautés
Top des ventes
Note moyenne
Marque
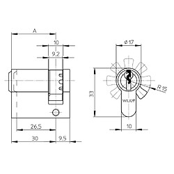
WILKA 1400 - Cylindre double entrée 40x50 mm - Profil européen
- Cylindre de serrure de porte WILKA 1400 double entrée, profil européen 40 x 50 mm, corps métal finition acier chromé, non monté
WILKA 1400 Cylindre de serrure double entrée 46x60 mm chromé
- Cylindre de serrure double entrée WILKA 1400 non monté 46x60 mm finition chrome/inox aspect avec anneau central noir
4,2
WILKA 1410 Demi-cylindre 50/10 mm - 3 clés - Nickelé
- Demi-cylindre WILKA série 1410 50/10 mm, 3 clés différentes, 6 goupilles, DIN 18252/EN 1303, laiton nickel mat
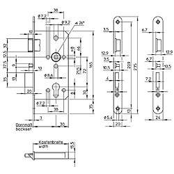
WILKA 1433W - Serrure monopoint métal droite, 15 mm, profil étroit
- WILKA série 1433W serrure monopoint de menuiserie métal (gâche/à encastrer) profil étroit, droite, 15 mm de jeu, têtière inox
WILKA 1435 - Serrure à bascule 25 mm - Inox satiné
- WILKA 1435 serrure à bascule à pêne dormant pivotant pour porte, préparation cylindre à profil, inox, avance 36 mm, DIN 18251-2 classe 3
WILKA 1400 - Cylindre européen 30x90 mm - Chrome
- WILKA 1400 cylindre européen double entrée 30x90 mm avec 3 clés paracentriques
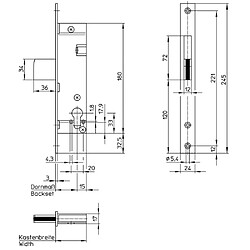
WILKA 1435 - 35 mm - Plaque inox brossé 245x24x3
- WILKA 1435 serrure à mortaiser à bascule 35 mm entraxe, face plate inox brossé 245x24x3 mm
WILKA 453 W - Serrure à larder 19 mm Droite - Noir
- Serrure à larder WILKA 453 W monopoint droite pour menuiserie métallique, coffre 19 mm, profil européen
WILKA 453 W 19L Serrure à encastrer métal 19 mm droite
- Serrure pour menuiserie métallique WILKA 453 W 19L 19 mm droite
WILKA 453 W 19L Serrure à mortaiser droite 19 mm pour métal
- WILKA 453 W 19L serrure mortaise monopoint droite 19 mm pour menuiserie métallique
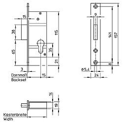
WILKA 453H Boîtier serrure à mortaiser PZ 29 mm têtière inox
- WILKA 453H - Serrure encastrable 1 point PZ pour cylindre euro, têtière inox 157x24x3 mm
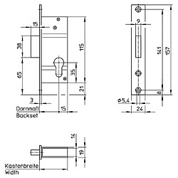
WILKA 453H006001 - Serrure à larder 19 mm - Têtière 157x24 mm
- WILKA 453H serrure à mortaiser PZ pour portes profil étroit, axe 19 mm, têtière 157x24x3 mm
WILKA 5495R - 55 mm PZ - Gauche - Noir
- Serrure de sûreté anti-panique WILKA 5495R à encastrer 55 mm PZ gauche, verrouillage automatique, conforme EN 179/EN 1125
WILKA 5495R 55mm Serrure antipanique PZ gauche verrouillage automatique
- Serrure antipanique mortaise WILKA 5495R 55 mm PZ gauche avec verrouillage automatique
Wilka Serrure bec de cane - argent
- Serrure bec de cane - mono point - acier - 1 entrée de clé - norme EN 1303
Marques Cylindre de porte
Amig
Cylindre de porte Amig
Cylindre de porte Vachette
Jpm
Cylindre de porte Jpm
Cisa
Cylindre de porte Cisa
Bricard
Cylindre de porte Bricard
Iseo
Cylindre de porte Iseo
Stremler
Cylindre de porte Stremler
Metalux
Cylindre de porte Metalux
Cylindre de porte Yale
Abus
Cylindre de porte Abus
Edm
Cylindre de porte Edm
Ferco
Cylindre de porte Ferco
Kaba
Cylindre de porte Kaba
Devismes
Cylindre de porte Devismes
POLLUX
Cylindre de porte POLLUX
Ronis
Cylindre de porte Ronis
VAK
Cylindre de porte VAK
Cylindre de porte Tesa
WILKA
Cylindre de porte WILKA
Select
Cylindre de porte Select
BURG-WÄCHTER
Cylindre de porte BURG-WÄCHTER
BEVER
Cylindre de porte BEVER
Cylindre de porte Thirard
Mottura
Cylindre de porte Mottura
Normbau
Cylindre de porte Normbau
Ojmar
Cylindre de porte Ojmar
Fichet
Cylindre de porte Fichet
UCEM
Cylindre de porte UCEM
Picard
Cylindre de porte Picard
Tirard
Cylindre de porte Tirard
Mcm
Cylindre de porte Mcm
Opera
Cylindre de porte Opera
WSS
Cylindre de porte WSS
Emuca
Cylindre de porte Emuca
GAH
Cylindre de porte GAH
Identifiez-vous :
Une erreur est survenue
Veuillez nous excuser pour la gêne occasionnée
Payez en plusieurs fois par carte bancaire avec
1
Choisissez
Alma
au moment du paiement
2
Laissez-vous guider et validez votre paiement en
2 minutes
3
Gardez le contrôle
en avançant ou reculant vos échéances à votre rythme.